Стабильное освещение в локомотивах М62 (Tillig)

Решил усовершенствовать оствещение в модели тепловоза М62 (Tillig).

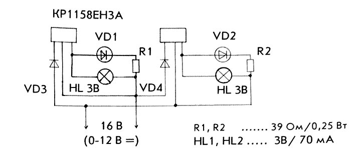
Главной задачей стало обеспечение стабильного (при любой скорости) и правильного с точки зрения ПТЭ работы локомотивного освещения. Для этой цели решил использовать схему с двумя стабилизаторами напряжения типа КРЕН на 3 вольта (рис. 1). "Кренка" (КР1158ЕН3А) - это электронный регулятор напряжения. Если входящее напряжение меняется от 3 до 16 вольт, то на выходе всегда будет 3 вольта. Подключаем на выходе лампу 3 В - и готово. Крутя ручку трансформатора, мы меняем напряжение - локомотив меняет скорость, а лампа, благодаря "кренке", горит постоянно уже от 3 вольт (это примерно 1,5-2 деления FZ1). Локомотив ещё не едет, а фонари уже горят. Лампы - передние буферные фонари, светодиоды (красные) - задние.

Особо отмечу, что данная модернизация может быть произведена как на обычной "аналоговой" машине, так и на модели с установленным цифровым декодером.

Сначала производим разборку М62, которую, безусловно, следует произвести очень аккуратно. Кузов снимается после извлечения буферов.

Берём сверло 0,8 мм и рассверливаем отверстие под световод (рис. 2). В качестве материала для изготовления световода нашёл хороший источник - прозрачная струна для гитары (рис. 3). Из комплекта нам нужна наиболее тонкая.

Кусочки световода вклеиваем в рассверленное отверстие, но сначала надо обклеить фольгой часть штатного световода для того, чтобы не было дополнительного рассеянного света (рис. 4, 5). Отрезаем лишнюю часть световода.

Тонкой кисточкой закрашиваем край буферных фонарей снаружи. Для восстановления цвета повреждённых краёв можно воспользоваться и фломастером.

В металлической раме размечаем места отверстий под световод и провода. Используем сверло диаметром 2 мм. Обязательноое условие для аккуратной работы - отверстие накернить и рассверлить с наклоном (рис. 6). Вставляем световоды (рис. 7).

Использовал светодиоды красного свечения (тип КМ2520SRC01) размером 2,5 х 2 мм. Для того, чтобы светодиод поместился в теле рамы, следует аккуратно расширить в размер светодиода посадочное место в пластмассовой раме. После этого припаиваем светодиоды на провода и вклеиваем их на место (рис. 8). Сверху светодиод я закрасил серой краской в несколько слоёв.

В силуминовой раме тепловоза просверлить глухие отверстия и нарезать резьбу для крепления стабилизаторов КРЕН. Необходимо выполнить изоляцию из слюды, после чего закрепляем КРЕН с помощью болтиков (рис. 9).

Из схемы управления можно выпаять штатные диоды, отвечающие за переключение полярности (рис. 10). В плате выпаиваем штатные лампы и вставляем 3-вольтовые. Я применил лампу 3 В / 70 мА размером 3 х 9 мм (рис. 11-12).

Далее аккуратно укладываем по корпусу все торчащие в разные стороны провода (рис. 13), не забывая впаять согласно схемы два резистора и диод (рис. 14).

В результате мы получаем работающий задний красный буферный фонарь в соответствии с Правилами технической эксплуатации (рис. 15). При такой схеме свет в аналоговом локомотиве горит не хуже, чем на "цифре" - включается сразу и горит с одинаковой яркостью на всех режимах.

"Локотранс", 2010, № 6.

Фотогалерея
Рис. 1.

Рис. 1.

Рис. 2.

Рис. 2.

Рис. 3.

Рис. 3.

Рис. 4.

Рис. 4.

Рис. 5.

Рис. 5.

Рис. 6.

Рис. 6.

Рис. 7.

Рис. 7.

Рис. 8.

Рис. 8.

Рис. 9.

Рис. 9.

Рис. 10.

Рис. 10.

Рис. 11.

Рис. 11.

Рис. 12.

Рис. 12.

Рис. 13.

Рис. 13.

Рис. 14.

Рис. 14.

Рис. 15.

Рис. 15.

(C) 2006-. Автор сайта, идея и материал: Игорь Сергеев.

(C) 2006-2011. Дизайн и программирование: Михаил Блюм.

Использование материалов сайта возможно только после письменного разрешения автора сайта.

Рейтинг@Mail.ru Rambler's Top100